單動不銹鋼 304# 旋轉氣缸 (Model SR Series)

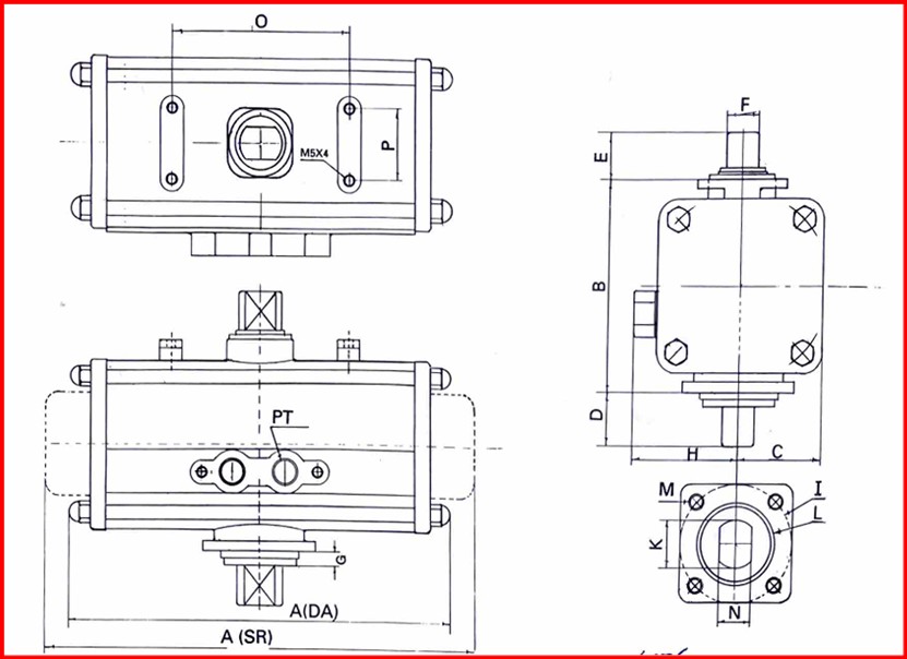
單動氣缸規格尺寸圖 - 勵泰工業

單動氣缸 (Spring Return Air Cylinder) 是自動化控制系統中極為重要的執行元件。本系列採用高品質 304 不銹鋼材質,具備優異的抗腐蝕性。以下提供完整的氣壓缸規格表氣缸尺寸資訊,作為您氣壓缸選型與設計的參考依據。

1. 單動氣缸尺寸規格表 (Dimensions / Air Cylinder Specifications)

MODEL (SR) LT-35 LT-50 LT-63 LT-80 LT-100 LT-135
A(SR)154200245315395560
B587490110134-
C2331364657-
D1623232828-
E1620202020-
F810141818-
G46666-
H3340485767-
I3642507070-
K1520202828-
L2530355555-
M55688-
N1014142020-
O-80808080-
P-30303030-
PT1/8"1/8"1/8"1/4"1/4"-
KG(SR)2.33.77.213.2-

2. 單動氣缸輸出扭力表 (Spring Return Torque Table)

型號 (SR) \ 扭力 (kg-cm) LT-50 LT-63 LT-80 LT-100
輸入氣壓 4.5 KG/CM²121 / 79202 / 130435 / 286785 / 506
輸入氣壓 4.0 KG/CM²96 / 59159 / 98335 / 219615 / 391
彈簧回復扭力79 / 121130 / 202286 / 435506 / 785

認識單動氣壓缸原理與選型指南

在氣動技術中,單動氣壓缸原理主要是利用壓縮空氣進入氣缸內推動活塞運動(通常為前進),而回程則依靠內置的強力彈簧壓力自動復歸。與雙動氣壓缸(往返皆靠氣壓)相比,單動氣缸在節省氣體消耗量以及斷氣安全防護(自動復位)上有其獨特優勢。

氣壓缸構造與規格表示

勵泰工業的 SR 系列單動氣缸,其氣壓缸構造包含精密的 304 不銹鋼缸體、高強度彈簧及高品質密封件。在氣缸規格表示上,我們通常以 LT 系列搭配缸徑大小作為區分。選擇規格時,除了參考尺寸圖外,最重要的便是氣壓缸出力計算

氣壓缸出力計算建議

  • 有效受壓面積: 計算出力前,需先確認活塞受壓面積。
  • 彈簧阻力扣除: 單動氣缸在計算出力時,必須扣除彈簧的反向阻力,因此實際輸出扭力會小於同等級的雙動型。
  • 安全係數: 建議在進行氣缸選型時,將所需出力預留 20%~30% 的安全餘裕,以確保自動化設備運作穩定。

如果您在尋找氣缸英文資料或需要更詳細的 CAD 尺寸圖、氣壓缸符號說明,歡迎與我們的技術團隊聯繫,我們將提供最專業的氣壓系統解決方案。

LINE
諮詢
電話
撥打
郵件
聯絡